Um dia, Rose-Lynn Fisher se perguntou se as lágrimas de tristeza eram diferentes de lágrimas de alegria. Então, ela começou a explorá-las de perto sob um microscópio.
Ela estudou 100 lágrimas diferentes e descobriu que as lágrimas basais (aqueles que o nosso corpo produz para lubrificar os olhos) são radicalmente diferentes das lágrimas que surgem quando estamos cortando cebolas. As lágrimas que surgem a partir de uma alegria intensa não estão nem perto de lágrimas de tristeza. Como uma gota de água do oceano, cada minúscula gota de lágrima carrega um microcosmo da experiência humana.
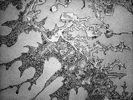
Vejam alguns exemplos das imagens microscópicas:
Lágrimas de rir até chorar
Lágrimas de tristeza
Lágrimas de cebola
O pesquisador Joseph Stromberg explicou que existem três tipos principais de lágrimas: basais, reflexivas, e psíquicas (desencadeadas por emoções).
Todas as lágrimas contém substâncias orgânicas, incluindo óleos, anticorpos e enzimas e são suspensas em água salgada. Diferentes tipos de lágrimas têm moléculas distintas. Lágrimas emocionais têm hormônios à base de proteínas, incluindo o neurotransmissor leucina encefalina, que é um analgésico natural que é liberado quando estamos estressados. Além disso, as lágrimas vistas sob o microscópio podem ter diferentes formas. Assim, mesmo as lágrimas psíquicas com a mesma composição química podem ser muito diferentes. Há a viscosidade, o cenário, a taxa de evaporação e as configurações do microscópio.”
Lágrimas basais
Lágrimas de esperança
Lágrimas de alegria
Lágrimas de lembrança
Fontes: Life Buzz, Somos Artes
Gostou? Compartilhe!!!








